200x250 mm Döküm Sifonlu Süzgeç

200X250 MM DÖKÜM SİFONLU SÜZGEÇ

Ürün Kodu : LD-961
D400
D400
11 ±1 Kg
11 ±1 Kg
Döküm
Döküm
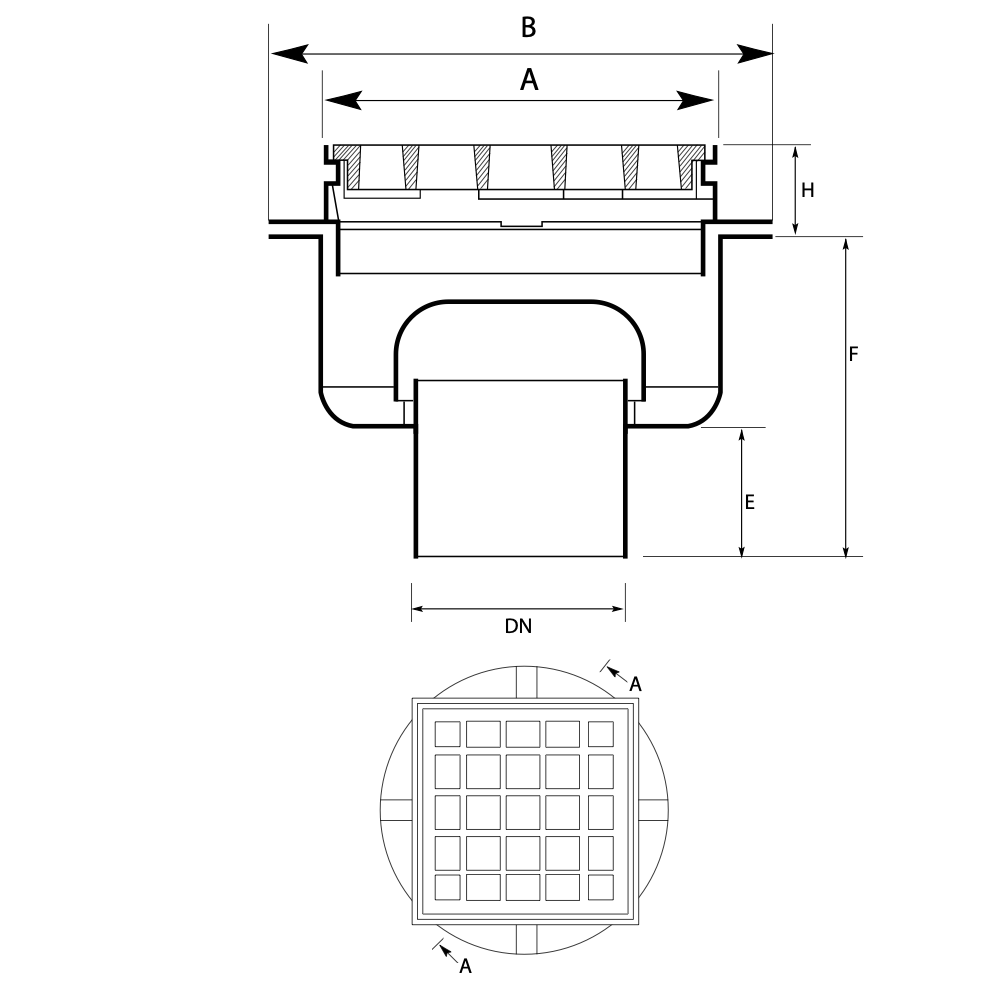
En (mm) : 200
Boy (mm) : 250
Yükseklik (mm) : 205
DN : 150
Yük Sınıfı : D400
Ağırlık : 11 ±1 Kg

 

Sifonlu süzgeç; banyo, mutfak ve teras gibi ıslak yerlerde kullanılır. Amaç hem zemindeki suyun gidere gitmesi hem de kötü kokunun önlenmesidir. Döküm sifonlu süzgeç ise ana malzemesinin döküm olarak yapıldığı süzgeç türleridir. Sifon özelliği ile de içinde su bulunduran ayrı bir bölgesi vardır. Bu da kötü koku engellemede oldukça etkilidir.

200 mm eni ve 250 mm boyu ile sunulan bu döküm sifonlu süzgecin yüksekliği de 205 mm’dir. 11 kg ağırlığı ve döküm yapısı ile uzun ömürlü kullanımı ve paslanmaz kırılmaz özelliği ile en çok tercih edilen modeller arasında yer alır.

200x250 MM Döküm Sifonlu Süzgeç Nerelerde Kullanılır?

200x250 mm döküm sifonlu süzgeçler, öncelikle D400 yük sınıfına girer. D400 yük sınıfı ise yaklaşık 40 ton taşıma kapasitesine sahip olduğunu ve bu alanlarda kullanılabileceğini gösterir. 200x250 mm döküm sifonlu süzgeç ise en yaygın kullanım alanı olarak rögar kapakları, döşeme kapakları ve mazgallar sayılır.

Dökün sifonlu süzgeçlerin uzun ömürlü ve kullanışlı olması için tercih edilmesi, aynı zamanda kötü koku gidermede de etkili olduğu için yaygındır. 200x250 mm ölçüsü başta olmak üzere birçok alternatif ölçü ile de birçok alanda kullanıma uygundur. Yük sınıfı ile de kullanım bilgisi veren döküm sifonlu süzgeçler, doğru alanlara doğru ölçülerle tercih edilerek kullanıldığında uzun yıllar sorun çıkarmaz.